Articles / 2026 / HDD Synth MKII is off to be manufactured
HDD Synth MKII is off to be manufactured 12 Jan 2026

I'm writing this as the final few days of my (much needed!) Christmas break play out. It's been really nice to wake up naturally without my alarm audibility poking me to life each morning and having the time to take it much easier than usual

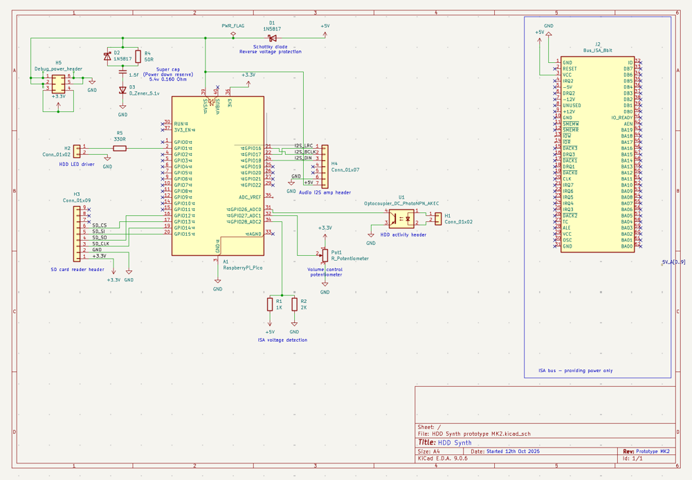
However I also wanted to get a few things done over the break. Some of these were just little projects around the house, but the big one was finally getting the HDD Synth MKII design completed

For me, I really need to be in the right state of mind to work on it. I can't be

  • Too mentally run down (i.e. after work)
  • Have too little time (I want to be able to work at it for a few hours)
  • In need of some fun (e.g. it's finally Saturday!)

Typically this means it's only summer/Christmas holidays or a long bank holiday weekend that I get into the sweet spot

I had a number of design goals for the MKII, which were:

Simplify the HDD detection

The original MKI attempted to infer HDD activity from the ISA bus, which turned out to be more complex than I originally hoped. So for this version I've taken things back to basics with just a simple detection of voltage from the PCs HDD LED

Spin down power

When the PC is turned on the HDD Synth plays a hard drive start up sound and then stays as idle until it detects activity. However when the PCs power is shut off so is the power to the HDD Synth, so it'll just switch off instantly

I really wanted to have the spin down sound after the PC loses power, as I think that's really part of the whole experience. So this version includes a super capacitor that charges up during use and then holds enough juice to power the device during the spin down phase. It also monitors the ISA bus power to determine when it as terminated, so it knows when to play the spin down sample.

Volume control

The MKI would just play the hard drive sound samples at a default volume. However I really wanted to give people the option to make it louder or quieter, so the MKII has a volume control that's designed to stick out the back of the ISA slot

 

All of these changes resulted in an almost complete redesign of the entire board, which makes sense given the scope of the changes

I also included a little (or not so little) easter egg on the rear of the PCB :)

With the original MKI it was the first time I'd made use of PCBWay, which was overall a very smooth and professional experience. 

However one of the original steps to upload the designs to their website required me to manually copy and ZIP up files from KiCad manually to their site

Since then I'd learnt there's a plugin that can be easily installed into KiCad which then makes the whole upload experience as easy and clicking a button. Wonderful 

Now all I need to do is sit back and wait for the boards to be manufactured and shipped over to me

If all goes well I'll be sending out some of these prototypes to a few people in the field to help me test the device!

Tags

TODO
  • Tags
  • Next / previous
  • Random?